HH-QF2系列石英挠性加速度计是一款高精度加速度计。产品具有优良的长期稳定性、重复性、启动性能、环境适应性及高可靠性等特点,既可用于静态测试也可以用于动态测试,也是一款标准的振动传感器。
产品输出电流和所受到的力或加速度成线性关系,用户可以通过计算选取合适的采样电阻,达到高精度的输出。并可根据用户需求内置温度传感器,用于对偏值和标度因数的补偿,减少环境温度的影响。
产品特点
完全自主可控产品
频率响应特性好,电流输出,抗干扰能力强
温度特性好,噪声低,精度高
体积小,重量轻:Ф25.4X30mm,80g
环境适应性好,可选择温度输出
可根据客户需求定制
重复性好,可靠性高
技术指标
技术参数表
序号 | 参数 | HH-QF2-01 | HH-QF2-02 | HH-QF2-03 |
1 | 范围 | ±70g | ±70g | ±70g |
2 | 阈值 | 5μg | 5μg | 5μg |
3 | 偏值 k0/k1 | ≤±3 mg | ≤±3 mg | ≤±5 mg |
4 | 标度因数 K1 | 0.8~1.2 mA/g | 0.8~1.2 mA/g | 0.8~1.2 mA/g |
5 | 二阶非线性系数K2 | ≤±10μg /g2 | ≤±15μg /g2 | ≤±20μg /g2 |
6 | 0g 4小时短期稳定性 | ≤10 μg | ≤15 μg | ≤20 μg |
7 | 1g 4 小时短期稳定性 | ≤10 ppm | ≤15 ppm | ≤20 ppm |
8 | 偏值综合重复性σK0 (1σ,1个月) | ≤10 μg | ≤20 μg | ≤30 μg |
9 | 标度因数综合重复性σK1/K1 (1σ,1个月) | ≤15ppm | ≤30 ppm | ≤50 ppm |
10 | 非线性系数综合重复性K2/K1(1σ,1个月) | ≤±10 μg /g2 | ≤±20 μg /g2 | ≤±30 μg /g2 |
11 | 偏值温度系数(全温均值) | ≤±10 μg /℃ | ≤±30 μg /℃ | ≤±50 μg /℃ |
12 | 标度因数温度系数(全温均值) | ≤±20 ppm /℃ | ≤±30 ppm /℃ | ≤±50 ppm /℃ |
13 | 噪声(采样电阻为 840Ω) | ≤5mv | ≤5mv | ≤5mv |
14 | 固有频率 | 400~800 Hz | 400~800 Hz | 400~800 Hz |
15 | 带宽 | 800~2500 Hz | 800~2500 Hz | 800~2500 Hz |
16 | 随机振动 | 6g(20-2000Hz) | 6g(20-2000Hz) | 6g(20-2000Hz) |
17 | 冲击 | 100g,8ms,1/2sin | 100g,8ms,1/2sin | 100g,8ms,1/2sin |
18 | 工作温度范围 | -55~+85℃ | -55~+85℃ | -55~+85℃ |
19 | 存储温度范围 | -60~+120℃ | -60~+120℃ | 60~+120℃ |
20 | 供电 | ±12~±15V | ±12~±15V | ±12~±15V |
21 | 消耗电流 | ≤±20mA | ≤±20mA | ≤±20mA |
22 | 温度传感器 | 用户可定制 | 用户可定制 | 用户可定制 |
23 | 尺寸 | Ф25.4X30mm | Ф25.4X30mm | Ф25.4X30mm |
24 | 重量 | ≤80g | ≤80g | ≤80g |
注:
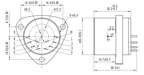
外形图和管脚定义:

图一:通用加速度计
管脚常规定义:1、信号输出;2、空;3、-15V;4、+15V;5、电源和信号地;6、空;7、空;8、空;9、-9V输出;10、+9V输出。
注:
1.标度因数参照用户要求进行调整;
2.温度传感器:分为AD590,pt1000,18B20;
3.测试周期:分为1个月,3个月,6个月,12个月,根据用户要求进行测试;
4.根据用户要求进行安装;外形尺寸可参照用户要求进行小幅调整,其它测试要求参照客户要求进行。