HH-QF04系列石英挠性加速度计是一款耐高温抗震动型加速度计,产品具有优良的重复性、启动性能、耐高温抗震性能及高可靠性等特点,既可用于静态测试也可以用于动态测试,也是一款标准的振动传感器。
产品采用独特的耐高温抗震设计、封装工艺及专用电路,产品输出电流与被测加速度成正比,提供静态和动态加速度的测量,用户可以通过计算选取合适的采样电阻,达到高精度的输出,并可根据用户需求内置温度传感器,用于对偏值和标度因数的补偿,减少环境温度的影响。可以原位替换QA650,T185, T160, JAE系列产品,但我们采用双力矩器结构,有别于其它公司产品,可以做到加速度计偏值和标度因数更为稳定,拥有自主知识产权。本产品自2010年推出,交付数量达到数千只,经过多年的应用,已经属于成熟产品,尤其大量应用于石油钻井的随钻测量
应用领域:桥梁、堤坝、油井、煤矿等的倾角测试,高速铁路控制,轮船等的稳定性控制。
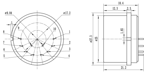
1. QF4结构尺寸和针脚定义

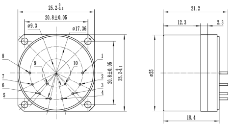
2. 结构尺寸和针脚定义

3. 结构尺寸和针脚定义


4. 结构尺寸和针脚定义

5. 结构尺寸和针脚定义

技术参数:
序号 | 参数 | HH-QF4-01 | HH-QF4-02 | HH-QF4-03 |
1 | 输出范围 | ±30g | ±30g | ±30g |
2 | 偏值K0/K1 | <10mg | <15mg | <15mg |
3 | 偏值月综合重复性σk0 (1σ,1月) | <50μg | <200μg | <200μg |
4 | 温度系数 | <50μg/℃ | <100μg/℃ | <100μg/℃ |
5 | 标度因数K1 | 1.1~1.3 mA/g | 1.1~1.3 mA/g | 1.1~1.3mA/g |
6 | 标度因数月的综合重复性σk1/k1 (1σ,1月) | <80 ppm | <150 ppm | <150 ppm |
7 | 偏值温度系数(全温均值) | <100ppm | <200ppm | <200ppm |
8 | 安装误差 | <1500μrad | <1500μrad | <1500μrad |
9 | 振动整流误差 | <30μg/g 2rms (50-500Hz) | <100μg/g 2rms (50-500Hz) | <100μg/g 2rms (50-500Hz) |
10 | 噪声 | <3000μg-rms (0-10000Hz) | <3000μg-rms (0-10000Hz) | <3000μg-rms (0-10000Hz) |
11 | 工作温度范围 | -55~96℃ | -55~155℃ | -55~180℃ |
12 | 冲击 | 500 g 0.5ms | 1000 g 0.5ms | 1000 g 0.5ms |
13 | 振动 | 25 g @30-500Hz | 25 g @30-500Hz | 25 g @30-500Hz |
14 | 分辨率 | <10μg | <10μg | <10μg |
15 | 带宽 | >300 Hz | >300 Hz | >300 Hz |
16 | 消耗电流 | <20 mA | <20 mA | <20 mA |
17 | 功耗 @ ±15VDC | <480 mW | <480 mW | <480 mW |
18 | 输入电压 | ±13 to ±18V | ±13 to ±18V | ±13 to ±18V |
19 | 重量 | <55克 | <55克 | <55克 |
20 | 安装直径 | Ф25mm | Ф25mm | Ф25mm |
21 | 高度 | <21.5mm | <21.5mm | <21.5mm |
22 | 壳体材料 | 300系列不锈钢 | 300系列不锈钢 | 300系列不锈钢 |
注:
1.标度因数参照用户要求进行调整;
2.温度传感器:分为AD590,pt1000,
3.测试周期:分为1个月,3个月,6个月,12个月,根据用户要求进行测试;
4.根据用户要求进行安装;外形尺寸可参照用户要求进行小幅调整,其它测试要求参照客户要求进行。